本5V穩(wěn)壓電源,具有成本低、體積小、效率高、重量輕、紋波低、穩(wěn)定精度高等特點,且有擴流、過壓保護裝置??晒嶒炇揖€路實驗,可做固態(tài)電路和微處理機的供電電源。也可做專用儀器、儀表等其它電路的電源用。
工作原理
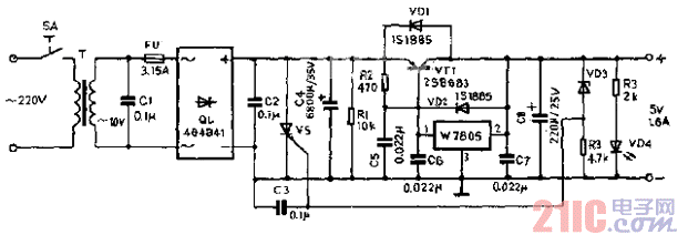
電路如圖所示。接通電源,電網(wǎng)電壓220V經(jīng)變壓器T變壓,由橋式整流器QL整流、電容C3濾波,使輸出端得到5V的穩(wěn)定電壓。W7805的最大輸出電流為1.5A,要想使輸出電流達到>1.5A,則要擴大輸出電流。這此,在W7805的外圍,接一只大功率三極管VT1,它采用的是并接式擴流方法,即在W7805的1腳與VT1的基極相連,在輸出端W7805的2腳與VT1的集電極相連,這樣兩輸出電流之和可滿足輸出1.6~2A間電流的要求。如果需要更大的輸出電流,可改成2~3只大功率三極管并聯(lián)即可滿足。
